大连迪爱帝传感器有限公司
全国免费预订热线

0411-87644309

站内公告:

工作时间:8:00~17:00      休息日:星期六、星期日以及节假日

当前位置:首页>

光电耦合器(二)

2025-06-16

开关电路

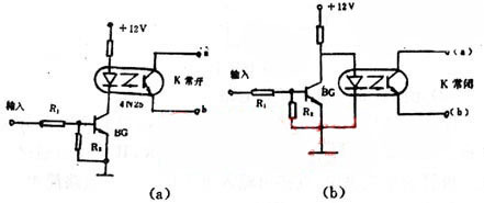
对于开关电路,往往要求控制电路和开关电路之间要有很好的电隔离,这对于一般的电子开关来说是很难做到的,但采用光电耦合器就很容易实现了。图1中(a)所示电路就是用光电耦合器组成的简单开关电路。
在图1(a)中,当无脉冲信号输入时,三极管BG处于截止状态,发光二极管无电流流过不发光,则a、b两端电阻非常大,相当于开关"断开"。当输入端加有脉冲信号时,BG导通,发光二极管发光,则a、b两端电阻变得很小,
图1 相当于开关"接通"。故称无信号时开关不通,为常开状态。
图1中(b)所示电路则为"常闭"状态,因为无信号输入时,虽BG截止,但发光二极管有电流通过而发光,使a、b两端处于导通状态,相当于开关"接通"。当有信号输入时,BG导通,由于BG的集电结压降在0.3V以下,远小于发光二极管的正向导通电压,所以发光二极管无电流流过不发光,则a、b两端电阻极大,相当于开关"断开",故称"常闭"式。
可见,开关a、b端在电路中不受电位高低的限制,但在使用中应满足a端电位为正,b端为负,并使U&ab>3V为好,同时还应注意Uab应小于光电三极管的BVceo。

具体应用

光电耦合器具体应用

组成开关电路

当输入信号ui为低电平时,晶体管V1处于截止状态,光电耦合器B1中发光二极管的电流近似为零,输出端Q11、Q12间的电阻很大,相当于开关"断开";当ui为高电平时,v1导通,B1中发光二极管发光,Q11、Q12间的电阻变小,相当于开关"接通".该电路因Ui为低电平时,开关不通,故为高电平导通状态.

组成逻辑电路

电路"与门"逻辑电路。其逻辑表达式为P=A.B.两只光敏管串联,只有当输入逻辑电平A=1、B=1时,输出P=1。同理,还可以组成"或门"、"与非门"、"或非门"等逻辑电路。

隔离耦合电路

这是一个典型的交流耦合放大电路.适当选取发光回路限流电阻Rl,使B4的电流传输比为一常数,即可保证该电路的线性放大作用。

高压稳压电路

驱动管需采用耐压较高的晶体管。当输出电压增大时,V55
的偏压增加,B5中发光二极管的正向电流增大,使光敏管极间电压减小,调整管be结偏压降低而内阻增大,使输出电压降低,而保持输出电压的稳定。

照明灯电路

A是四组模拟电子开关(S1~S4):S1,S2,S3并联(可增加驱动功率及抗干扰能力)用于延时电路,当其接通电源后经R4,B6驱动双向可控硅VT,VT直接控制门厅照明灯H;S4与外接光敏电阻Rl等构成环境光线检测电路。当门关闭时,安装在门框上的常闭型干簧管KD受到门上磁铁作用,其触点断开,S1,S2,S3处于数据开状态。晚间主人回家打开门,磁铁远离KD,KD触点闭合。此时9V电源整流后经R1向C1充电,C1两端电压很快上升到9V,整流电压经S1,S2,S3和R4使B6内发光管发光从而触发双向可控硅导通,VT亦导通,H点亮,实现自动照明控制作用。房门关闭后,磁铁控制KD,触点断开,9V电源停止对C1充电,电路进入延时状态。C1开始对R3放电,经一段时间延迟后,C1两端电压逐渐下降到S1,S2,S3的开启电压(1.5v)以下,S1,S2,S3恢复断开状态,导致B6截止,VT亦截止,H熄来,实现延时关灯功能。

分类

由于光电耦合器的品种和类型非常多,在光电子DATA手册中,其型号超过上千种,通常可以按以下方法进行分类:

按光路径分

可分为外光路光电耦合器(又称光电断续检测器)和内光路光电耦合器。外光路光电耦合器又分为透过型和反射型光电耦合器。

按输出形式分

a、光敏器件输出型,其中包括光敏二极管输出型,光敏三极管输出型,光电池输出型,光可控硅输出型等。
b、NPN三极管输出型,其中包括交流输入型,直流输入型,互补输出型等。
c、达林顿三极管输出型,其中包括交流输入型,直流输入型。
d、逻辑门电路输出型,其中包括门电路输出型,施密特触发输出型,三态门电路输出型等。
e、低导通输出型(输出低电平毫伏数量级)。
f、光开关输出型(导通电阻小余10Ω)。
g、功率输出型(IGBT/MOSFET等输出)。

按封装形式分

可分为同轴型,双列直插型,TO封装型,扁平封装型,贴片封装型,以及光纤传输型等。

按传输信号分

可分为数字型光电耦合器(OC门输出型,图腾柱输出型及三态门电路输出型等)和线性光电耦合器(可分为低漂移型,高线性型,宽带型,单电源型,双电源型等)。

按速度分

可分为低速光电耦合器(光敏三极管、光电池等输出型)和高速光电耦合器(光敏二极管带信号处理电路或者光敏集成电路输出型)。

按通道分

可分为单通道,双通道和多通道光电耦合器。

按隔离特性分

可分为普通隔离光电耦合器(一般光学胶灌封低于5000V,空封低于2000V)和高压隔离光电耦合器(可分为10kV,20kV,30kV等)。

按工作电压分

可分为低电源电压型光电耦合器(一般5~15V)和高电源电压型光电耦合器(一般大于30V)。

选取原则

在设计光耦光电隔离电路时必须正确选择光耦合器的型号及参数,选取原则如下:
(1)由于光电耦合器为信号单向传输器件,而电路中数据的传输是双向的,电路板的尺寸要求一定,结合电路设计的实际要求,就要选择单芯片集成多路光耦的器件。
(2)光耦合器的电流传输比(CTR)的允许范围是不小于500%。因为当CTR<500%时,光耦中的LED就需要较大的工作电流(>5.0 mA),才能保证信号在长线传输中不发生错误,这会增大光耦的功耗。
(3)光电耦合器的传输速度也是选取光耦必须遵循的原则之一,光耦开关速度过慢,无法对输入电平做出正确反应,会影响电路的正常工作。
(4)推荐采用线性光耦。其特点是CTR值能够在一定范围内做线性调整。设计中由于电路输入输出均是一种高低电平信号,故此,电路工作在非线性状态。而在线性应用中,因为信号不失真的传输,所以,应根据动态工作的要求,设置合适的静态工作点,使电路工作在线性状态。
通常情况下,单芯片集成多路光耦的器件速度都比较慢,而速度快的器件大多都是单路的,大量的隔离器件需要占用很大布板面积,也使得设计的成本大大增加。在设计中,受电路板尺寸、传输速度、设计成本等因素限制,无法选用速度上非常占优势的单路光耦器件,在此选用TOSHIBA公司的TLP521-4。

上一页:电气

下一页:光电耦合器

【返回列表】

版权所有:大连迪爱帝传感器有限公司 电话:0411-87644309

地址:辽宁省大连保税区ID-35-3号五层 ICP备案编号:辽ICP备2023003440号-1 技术支持:奇思锐盟网络 [奇思锐盟建站]